工作時間 周一至周六 8:00-17:00
DX-10B閃光繼電器寸用于電力系統斷路器的位置信號燈不對應閃光,該繼電器是為了適應當前推廣使用發光二極管節能指示燈而設 計。
DX-10B閃光繼電器應用范圍
DX-10B閃光繼電器用于電力系統斷路器的位置信號燈不對應閃光,該繼電器是為了適應當前推廣使用發光二極管節能指示燈而設計。但也可通用于原有的各類白熾指示燈,是DX-1、DX-3型閃光繼電器的更新換代產品。由于該繼電器的適應能力強,起動電流小(10mA)特點,故也是其它各種報警電路中理想的報警繼電器。
DX-10B閃光繼電器主要技術數據
●繼電器額定電壓:直流220V或110V(交流220V或110V)。
●繼電器閃光頻率:每分鐘100±30次可整定。
●繼電器觸點負載能力:220VAC、3A繼電器最小起動電流10mA。
●介質強度:產品各導電端子連在一起,對外露的非帶電金屬部分或外殼之間,能承受2000V(有效值)50Hz交流電壓歷時1分鐘試驗而無絕緣擊穿或閃絡現象。
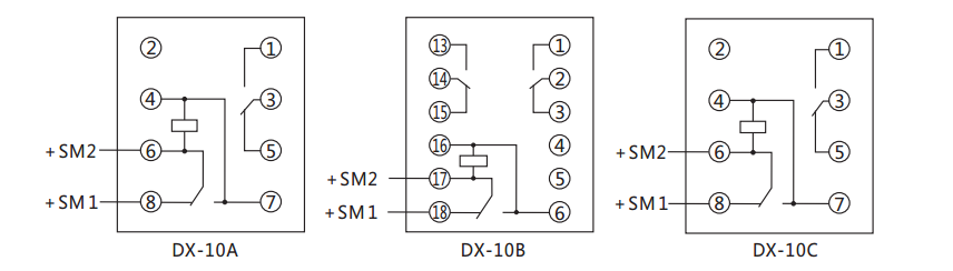
DX-10B閃光繼電器內部接線及外引接線圖

DX-10B閃光繼電器接線使用說明
●繼電器與發光二極管信號燈配用時,如圖(1)接線(B型結構)。
●如繼電器與白熾信號燈配用時,將圖(1)+SMl(18端子)改接成+SM2(17端子)其余不變。
●如采用如圖(2)接線,當電源接通后,信號燈同樣也能產生閃光信號。當XD-21發光二極管信號燈同時使用超過5盞時,為保證亮度,建議使用圖(2)接線

DX-10B閃光繼電器外形及開孔尺寸


礦山冶金
化工、化肥、水泥、紡織
能源、環保
機械電子
火電、水電
造紙、制糖、制藥
市政基礎建設
原料、鋼鐵
上一篇:DX-8G信號繼電器
下一篇:DX-10C閃光信號繼電器

